Trägerprofil für PV-Modulmontage
Typ TP 45 4700 ALU
|Art.Nr. 5900410
|EAN 4012197368623



Art.Nr. / Typ
Länge
kl. VKE: 4 Stück
4Stück
Stück
Beschreibung
Trägerprofil zum Montieren von Photovoltaik-Modulen auf Flach- und Schrägdächern. Flachdachmontage in Kombination mit Universal-Standfuß Uni Base und kurzen und langen Stützen STK und STL. Rastbare Befestigung des Profils auf Standfuß mit Adapter Unibase AMP. Schrägdachmontage in Kombination mit Dachhaken universal DHU. Rastbare Befestigung des Profils an Dachhaken. Schraubbare Verbindung mehrerer Trägerprofile mit Längsverbinder LV 45 und Kreuzverbinder KV 45. Mit beidseitiger 10-mm-Nut zur Aufnahme von Gleitmuttern und Universal- und Erdungsklemmen.
Technische Daten
Abmessungen
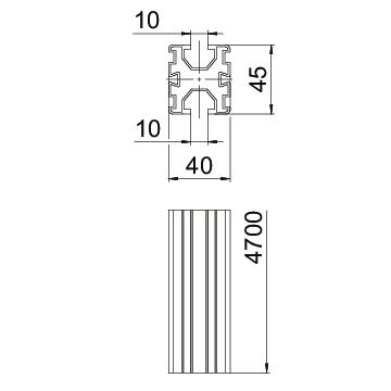
| Länge | 4700 mm |
|---|---|
| Breite | 40 mm |
| Höhe | 45 mm |
Technische Daten
| Dimension | 40x45x4700 |
|---|---|
| Oberfläche | blank |
| Werkstoff | Aluminium |
| Farbe | aluminium |
| Kabelkanal integriert | nein |
| Kabelkanal optional | nein |
| Widerstandsmoment Wx | 3680 mm³ |
| Widerstandsmoment Wy | 3760 mm³ |
Zubehör
Systemzubehör
Montagezubehör
Artikel
Typ
Art.Nr.
Menge
Downloads
0 ausgewählt
Datenblatt (1)
Kataloge & Broschüren (2)
Erklärungen (2)
Anleitungen & Hilfen (4)
Artikelbilder (2)
3D Daten Downloads (1)
Ausschreibungstexte (2)
Ausführungen
Typ
Länge
Art.Nr.
TP 45 4700 ALU
4700
5900410
TP 45 2350 ALU
2350
5900405
TP 45 4700 ALU S
4700
5900412
Länge
TP 45 4700 ALU
Art.Nr.
5900410
Länge
4700
TP 45 2350 ALU
Art.Nr.
5900405
Länge
2350
TP 45 4700 ALU S
Art.Nr.
5900412
Länge
4700









