Bügelschelle 2056 W-Fuß, 1-fach, Metalldruckwanne, FT
Typ BS-W1-M-12 FT
|Art.Nr. 1188301
|EAN 4012197416683



Art.Nr. / Typ
Max. Anzugsdrehmoment
Spannbereich D min.
Spannbereich D max.
kl. VKE: 100 Stück
100Stück
Stück
Beschreibung
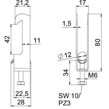
Bügelschelle mit W-Fuß, Metalldruckwanne mit gerundeten Kanten für Kabelschutz. Zur vertikalen und horizontalen Montage von 1 Einzelkabel an Winkeleisen mit 40 mm Schenkellänge. Mit 1-gängiger Schraube an Druckwanne, universeller Sechskant-Schraubenkopf SW10, mit Schlitz und Kreuzschlitz. Geeignet für Montage im Innen-und Außenbereich. Der Einsatz einer Gegenwanne wird empfohlen.
Technische Daten
Abmessungen
| Länge | 22,5 mm |
|---|---|
| Breite | 17 mm |
| Höhe | 80 mm |
| Maß L | 34 mm |
| Maß A | 22,5 mm |
| Maß B | 17 mm |
| Maß H | 80 mm |
| Maß t | 1,5 mm |
| Maß C | 28 mm |
| Maß G | M6 |
Materialien und Verpackung
| Verpackung vollständig aus recycelter Kartonage | Ja |
|---|---|
| Verpackung ohne Kunststoff | Ja |
Technische Daten
| Blechstärke | 1,5 mm |
|---|---|
| für Rohrdurchmesser min. | 8 mm |
| für Rohrdurchmesser max. | 12 mm |
| Schlitzweite | 10 mm |
| Halogenfrei | ja |
| Gewinde | M6 |
| Mit Metallwanne | ja |
| Länge Außenmaß | 28 mm |
| Anzahl der Kabel/Rohre | 1 |
| Zusatz Oberfläche | feuerverzinkt |
| Zusatz Werkstoff | Stahl |
| Max. Anzugsdrehmoment | 3 Nm |
| Montageart | Winkelprofil |
| Spannbereich D min. | 8 mm |
| Spannbereich D max. | 12 mm |
| Dimension | 8-12mm |
| Oberfläche | tauchfeuerverzinkt |
| Werkstoff | Stahl |
CO2-Fußabdruck (Product Carbon Footprint)
| CO2 Fußabdruck (GWP) Cradle-to-Gate | 0,1255 kg CO2e / 1 Stück |
|---|
Downloads
0 ausgewählt
Datenblatt (1)
Kataloge & Broschüren (1)
Erklärungen (2)
Anleitungen & Hilfen (1)
Artikelbilder (2)
Ausschreibungstexte (2)
Ausführungen
Typ
Max. Anzugsdrehmoment
Spannbereich D min.
Spannbereich D max.
Art.Nr.
BS-W1-M-12 FT
3
8
12
1188301
BS-W1-M-16 FT
3
12
16
1188304
BS-W1-M-22 FT
3
16
22
1188307
BS-W1-M-28 FT
3
22
28
1188310
BS-W1-M-34 FT
3
28
34
1188313
BS-W1-M-40 FT
3
34
40
1188316
BS-W1-M-46 FT
5
40
46
1188319
BS-W1-M-52 FT
5
46
52
1188322
BS-W1-M-58 FT
5
52
58
1188325
BS-W1-M-64 FT
5
58
64
1188328
BS-W1-M-70 FT
5
64
70
1188331
Max. Anzugsdrehmoment
Spannbereich D min.
Spannbereich D max.
BS-W1-M-12 FT
Art.Nr.
1188301
Max. Anzugsdrehmoment
3
Spannbereich D min.
8
Spannbereich D max.
12
BS-W1-M-16 FT
Art.Nr.
1188304
Max. Anzugsdrehmoment
3
Spannbereich D min.
12
Spannbereich D max.
16
BS-W1-M-22 FT
Art.Nr.
1188307
Max. Anzugsdrehmoment
3
Spannbereich D min.
16
Spannbereich D max.
22
BS-W1-M-28 FT
Art.Nr.
1188310
Max. Anzugsdrehmoment
3
Spannbereich D min.
22
Spannbereich D max.
28
BS-W1-M-34 FT
Art.Nr.
1188313
Max. Anzugsdrehmoment
3
Spannbereich D min.
28
Spannbereich D max.
34
BS-W1-M-40 FT
Art.Nr.
1188316
Max. Anzugsdrehmoment
3
Spannbereich D min.
34
Spannbereich D max.
40
BS-W1-M-46 FT
Art.Nr.
1188319
Max. Anzugsdrehmoment
5
Spannbereich D min.
40
Spannbereich D max.
46
BS-W1-M-52 FT
Art.Nr.
1188322
Max. Anzugsdrehmoment
5
Spannbereich D min.
46
Spannbereich D max.
52
BS-W1-M-58 FT
Art.Nr.
1188325
Max. Anzugsdrehmoment
5
Spannbereich D min.
52
Spannbereich D max.
58
BS-W1-M-64 FT
Art.Nr.
1188328
Max. Anzugsdrehmoment
5
Spannbereich D min.
58
Spannbereich D max.
64
BS-W1-M-70 FT
Art.Nr.
1188331
Max. Anzugsdrehmoment
5
Spannbereich D min.
64
Spannbereich D max.
70
