Bügelschelle 2056 RS-Fuß, 1-fach, Metalldruckwanne, FT
Typ BS-RS1-M-52 FT
|Art.Nr. 1158369
|EAN 4012197366216



Art.Nr. / Typ
Max. Anzugsdrehmoment
Spannbereich D min.
Spannbereich D max.
kl. VKE: 100 Stück
100Stück
Stück
Beschreibung
Bügelschelle mit RS-Fuß, Metalldruckwanne mit gerundeten Kanten für Kabelschutz. Zur vertikalen und horizontalen Montage von 1 Einzelkabel an Rundprofilen oder Rohren. Mit 1-gängiger Schraube an Druckwanne, universeller Sechskant-Schraubenkopf SW10, mit Schlitz und Kreuzschlitz. Passend zu allen Rundprofileisen bzw. Rohren mit Durchmesser bis 22 mm. Geeignet für Montage im Innen-und Außenbereich. Der Einsatz einer Gegenwanne wird empfohlen.
Technische Daten
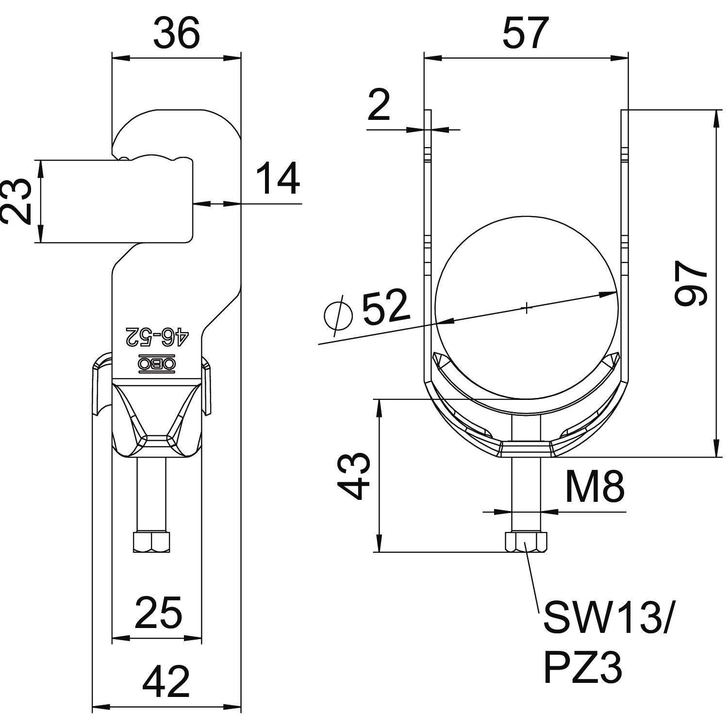
Abmessungen
| Länge | 36 mm |
|---|---|
| Breite | 57 mm |
| Höhe | 97 mm |
| Maß L | 43 mm |
| Maß A | 36 mm |
| Maß B | 57 mm |
| Maß H | 97 mm |
| Maß t | 2 mm |
| Maß C | 42 mm |
| Maß G | M8 |
| Maß E | 14 mm |
Technische Daten
| Blechstärke | 2 mm |
|---|---|
| für Rohrdurchmesser min. | 46 mm |
| für Rohrdurchmesser max. | 52 mm |
| Schlitzweite | 10 mm |
| Halogenfrei | ja |
| Gewinde | M8 |
| Mit Kunststoffwanne | nein |
| Mit Metallwanne | ja |
| Länge Außenmaß | 42 mm |
| Anzahl der Kabel/Rohre | 1 |
| Zusatz Oberfläche | feuerverzinkt |
| Zusatz Werkstoff | Stahl |
| Max. Anzugsdrehmoment | 5 Nm |
| Montageart | Rundprofil |
| Spannbereich D min. | 46 mm |
| Spannbereich D max. | 52 mm |
| Dimension | 46-52 |
| Oberfläche | tauchfeuerverzinkt |
| Werkstoff | Stahl |
| Mit Gegenwanne | nein |
| Werkstoff der Wanne | Stahl |
Umweltdaten
0,4231 kg CO2e / 1 StückCO2 Fußabdruck (GWP) Cradle-to-Gate
| Verpackung vollständig aus recycelter Kartonage | Ja |
|---|---|
| Verpackung ohne Kunststoff | Ja |
| CO2 Fußabdruck (GWP) Cradle-to-Gate | 0,4231 kg CO2e / 1 Stück |
|---|
Downloads
0 ausgewählt
Datenblatt (1)
Kataloge & Broschüren (2)
Erklärungen (4)
Anleitungen & Hilfen (1)
Artikelbilder (2)
Ausschreibungstexte (2)
Ausführungen
Typ
Max. Anzugsdrehmoment
Spannbereich D min.
Spannbereich D max.
Art.Nr.
BS-RS1-M-12 FT
3
8
12
1158343
BS-RS1-M-16 FT
3
12
16
1158345
BS-RS1-M-22 FT
3
16
22
1158349
BS-RS1-M-28 FT
3
22
28
1158353
BS-RS1-M-34 FT
3
28
34
1158357
BS-RS1-M-40 FT
3
34
40
1158361
BS-RS1-M-46 FT
5
40
46
1158365
BS-RS1-M-52 FT
5
46
52
1158369
BS-RS1-M-58 FT
5
52
58
1158373
BS-RS1-M-64 FT
5
58
64
1158377
Max. Anzugsdrehmoment
Spannbereich D min.
Spannbereich D max.
BS-RS1-M-12 FT
Art.Nr.
1158343
Max. Anzugsdrehmoment
3
Spannbereich D min.
8
Spannbereich D max.
12
BS-RS1-M-16 FT
Art.Nr.
1158345
Max. Anzugsdrehmoment
3
Spannbereich D min.
12
Spannbereich D max.
16
BS-RS1-M-22 FT
Art.Nr.
1158349
Max. Anzugsdrehmoment
3
Spannbereich D min.
16
Spannbereich D max.
22
BS-RS1-M-28 FT
Art.Nr.
1158353
Max. Anzugsdrehmoment
3
Spannbereich D min.
22
Spannbereich D max.
28
BS-RS1-M-34 FT
Art.Nr.
1158357
Max. Anzugsdrehmoment
3
Spannbereich D min.
28
Spannbereich D max.
34
BS-RS1-M-40 FT
Art.Nr.
1158361
Max. Anzugsdrehmoment
3
Spannbereich D min.
34
Spannbereich D max.
40
BS-RS1-M-46 FT
Art.Nr.
1158365
Max. Anzugsdrehmoment
5
Spannbereich D min.
40
Spannbereich D max.
46
BS-RS1-M-52 FT
Art.Nr.
1158369
Max. Anzugsdrehmoment
5
Spannbereich D min.
46
Spannbereich D max.
52
BS-RS1-M-58 FT
Art.Nr.
1158373
Max. Anzugsdrehmoment
5
Spannbereich D min.
52
Spannbereich D max.
58
BS-RS1-M-64 FT
Art.Nr.
1158377
Max. Anzugsdrehmoment
5
Spannbereich D min.
58
Spannbereich D max.
64
