Abdeckplatte VHF, für 1 x Anbausteckdose Typ ASD und 1 x CEE-Steckvorrichtung
Typ VHF-P13
|Art.Nr. 6109858
|EAN 4012196169375



Art.Nr. / Typ
6109858 / VHF-P13
kl. VKE: 1 Stück
1Stück
Stück
Beschreibung
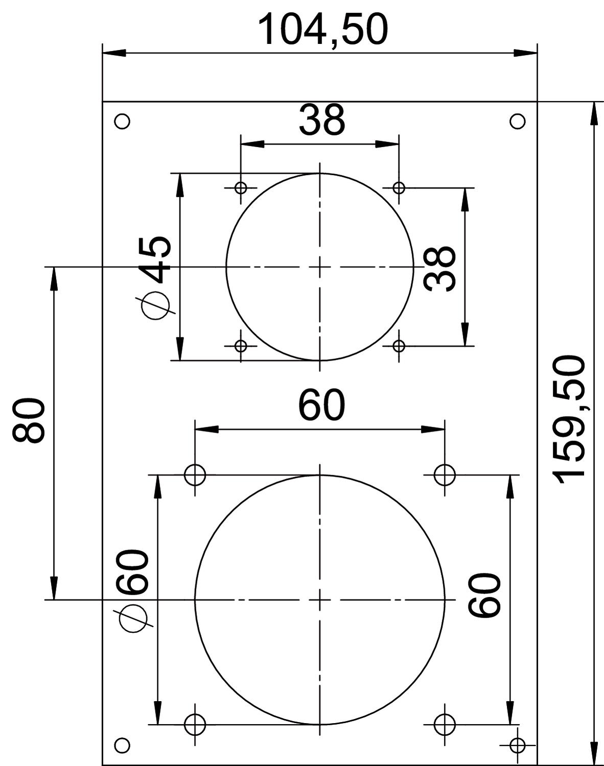
Abdeckplatte mit einer Ø 45-mm-Öffnung zum Einbau einer Anbausteckdose (Typ ASD-...) mit 38-mm-Befestigungsspur und einer Ø 60-mm-Öffnung zum Einbau einer CEE-Steckdose 16/32 A mit 60-mm-Befestigungsspur, inklusiv 8 Schrauben zur Gerätebefestigung.
Technische Daten
Abmessungen
| Länge | 159,5 mm |
|---|---|
| Breite | 104,5 mm |
| Höhe | 3 mm |
Technische Daten
| Halogenfrei | nein |
|---|---|
| Anzahl der Einheiten | 2 |
| Schutzart | IP20 |
| Blinddeckel | nein |
| Installationstechnik | sonstige |
| Befestigungsart | aufschraubbar |
| Bauform Öffnung | rund |
| Dimension | 166x105mm |
| Werkstoff | Polyvinylchlorid |
| Farbe | rapsgelb; RAL 1021 |
| CO2 Fußabdruck (GWP) Cradle-to-Gate | 0,2057 kg CO2e / 1 Stück |
Downloads
0 ausgewählt
Datenblatt (1)
Kataloge & Broschüren (2)
Erklärungen (2)
Anleitungen & Hilfen (1)
Artikelbilder (2)
Ausschreibungstexte (2)
Ausführungen
Typ
Art.Nr.
VHF-P13
6109858
VHF-P13
Art.Nr.
6109858

