Kabelleiter LG 110, 3 m VS FS
Typ LG 115 VS 3 FS
|Art.Nr. 6216413
|EAN 4012195064534




Art.Nr. / Typ
Länge
Breite
Holmstärke
kl. VKE: 3 m
3m
m
Beschreibung
Kabelleiter mit gelochtem Seitenholm in der Seitenhöhe 110 mm mit eingenieteten, nach oben offenen C-Profil-Sprossen.
Magnetische Schirmdämpfung ohne Deckel 10 dB, mit Deckel 15 dB.
Magnetische Schirmdämpfung ohne Deckel 10 dB, mit Deckel 15 dB.
Die Kabelleiter wird in zusammengeklappter Ausführung geliefert.
Die passende Bügelschelle Typ BS-H... finden Sie im Abgriff Steigeleiter-Systeme.
Technische Daten
Abmessungen
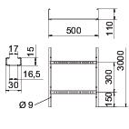
| Länge | 3000 mm |
|---|---|
| Breite | 500 mm |
| Höhe | 110 mm |
| Maß B | 500 mm |
| Schlitzmaß Sprosse | 16,50 |
Technische Daten
| Funktionserhalt | nein |
|---|---|
| Seitenlochung | ja |
| Weitspann-Ausführung | nein |
| Nutzquerschnitt | 475 cm² |
| Rostfreier Stahl, gebeizt | nein |
| Nutzquerschnitt | 47500 mm² |
| Sprossenabstand | 300 mm |
| Ausführung der Sprossen | Profil gelocht |
| Ausführung des Seitenholms | flaches Profil |
| Befestigung der Sprosse | blindgenietet |
| Abmessung | 110x500x3000 |
| Holmstärke | 1,5 mm |
| Dimension | 110x500x3000 |
| Oberfläche | bandverzinkt |
| Werkstoff | Stahl |
| Farbe | zink |
Belastungen
| Stützabstand 2,0m | 3,1 kN/m |
|---|---|
| Stützabstand 2,5m | 2 kN/m |
| Stützabstand 3,0m | 1,4 kN/m |
| Stützabstand 3,5m | 0,9 kN/m |
| Stützabstand 4,0m | 0,65 kN/m |
| Stützabstand 4,5m | 0,55 kN/m |
| Stützabstand 5,0m | 0,5 kN/m |
| Stützabstand 6,0m | 0,15 kN/m |
Zulässige Kabelrinnen-/-leiterbelastung in kN/m ohne Mannlast
Stützweite in m
Holmdurchbiegung in mm bei zulässig kN/m
Belastungsschema beim Prüfverfahren
Belastungskurve mit Kabelrinne/-leiterbreite in mm
Holmdurchbiegungskurve je nach Stützweite
Umweltdaten
10,7471 kg CO2e / 1 MeterCO2 Fußabdruck (GWP) Cradle-to-Gate
| EPD Verified | Ja |
|---|---|
| Ablaufdatum EPD | 10.07.2029 |
| Deklarationsnummer EPD | EPD-KTO-17.0 |
| Einheitenbasis EPD | 1 lfm. + Montagesystem |
| EPD GWP (außerhalb der Systemgrenzen) | 18.83 kg CO₂e |
| EPD GWP (Entsorgungsphase) | 1.97 kg CO₂e |
| EPD GWP (Herstellungsphase) | 81.32 kg CO₂e |
| EPD-Standard / LCA-Standard (Normen) | DIN EN ISO 14025,EN 15804 + A2 |
| CO2 Fußabdruck (GWP) Cradle-to-Gate | 10,7471 kg CO2e / 1 Meter |
|---|
Zubehör
Systemzubehör
Artikel
Typ
Art.Nr.
Menge
Downloads
0 ausgewählt
Datenblatt (1)
Kataloge & Broschüren (3)
Erklärungen (5)
Anleitungen & Hilfen (2)
Artikelbilder (3)
3D Daten Downloads (1)
Ausschreibungstexte (2)
Ausführungen
Typ
Länge
Breite
Funktionserhalt
Holmstärke
Oberfläche
Werkstoff
Art.Nr.
LG 112 VS 3 FS
3000
200
nein
1,5
bandverzinkt
Stahl
6216404
LG 113 VS 3 FS
3000
300
nein
1,5
bandverzinkt
Stahl
6216407
LG 114 VS 3 FS
3000
400
nein
1,5
bandverzinkt
Stahl
6216410
LG 115 VS 3 FS
3000
500
nein
1,5
bandverzinkt
Stahl
6216413
LG 116 VS 3 FS
3000
600
nein
1,5
bandverzinkt
Stahl
6216416
Breite
LG 112 VS 3 FS
Art.Nr.
6216404
Länge
3000
Breite
200
Funktionserhalt
nein
Holmstärke
1,5
Oberfläche
bandverzinkt
Werkstoff
Stahl
LG 113 VS 3 FS
Art.Nr.
6216407
Länge
3000
Breite
300
Funktionserhalt
nein
Holmstärke
1,5
Oberfläche
bandverzinkt
Werkstoff
Stahl
LG 114 VS 3 FS
Art.Nr.
6216410
Länge
3000
Breite
400
Funktionserhalt
nein
Holmstärke
1,5
Oberfläche
bandverzinkt
Werkstoff
Stahl
LG 115 VS 3 FS
Art.Nr.
6216413
Länge
3000
Breite
500
Funktionserhalt
nein
Holmstärke
1,5
Oberfläche
bandverzinkt
Werkstoff
Stahl
LG 116 VS 3 FS
Art.Nr.
6216416
Länge
3000
Breite
600
Funktionserhalt
nein
Holmstärke
1,5
Oberfläche
bandverzinkt
Werkstoff
Stahl








