Kabelleiter LCIS 60, 6 m C30 FT
Typ LCIS 640 6 FT
|Art.Nr. 6209647
|EAN 4012196431809




Art.Nr. / Typ
Länge
Breite
Holmstärke
Funktionserhalt
nein
kl. VKE: 6 m
6m
m
Beschreibung
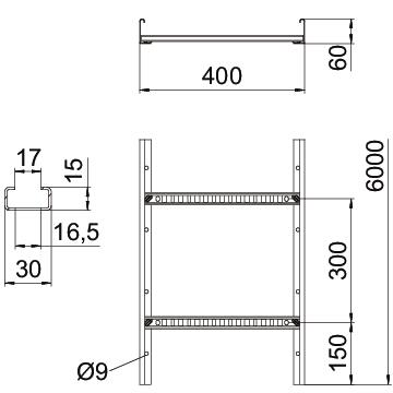
Kabelleiter in Seitenhöhe 60 mm mit eingeschweißten, nach oben offenen C30 Profilsprossen. Eingerollter Seitenholm zur Verstärkung und als Kantenschutz. Die Befestigung auf dem Ausleger erfolgt mit Klemmstücken Typ LKS 40. Das Schlitzmaß der Sprosse beträgt 16,5 mm, die passende Bügelschelle ist der Typ 2056.
Magnetische Schirmdämpfung ohne Deckel 10 dB, mit Deckel 15 dB.
Magnetische Schirmdämpfung ohne Deckel 10 dB, mit Deckel 15 dB.
Technische Daten
Abmessungen
| Länge | 6000 mm |
|---|---|
| Breite | 400 mm |
| Höhe | 60 mm |
| Maß B | 400 mm |
| Schlitzmaß Sprosse | 16,50 |
Technische Daten
| Funktionserhalt | nein |
|---|---|
| Seitenlochung | ja |
| Weitspann-Ausführung | nein |
| Nutzquerschnitt | 160 cm² |
| Rostfreier Stahl, gebeizt | nein |
| Nutzquerschnitt | 16000 mm² |
| Sprossenabstand | 300 mm |
| Ausführung der Sprossen | Profil gelocht |
| Ausführung des Seitenholms | flaches Profil |
| Befestigung der Sprosse | geschweißt |
| Holmstärke | 1,5 mm |
| Dimension | 60x400x6000 |
| Oberfläche | tauchfeuerverzinkt |
| Werkstoff | Stahl |
| Farbe | zink |
| CO2 Fußabdruck (GWP) Cradle-to-Gate | 7,3511 kg CO2e / 1 Meter |
Belastungen
| Stützabstand 2,0m | 2 kN/m |
|---|---|
| Stützabstand 2,5m | 1,3 kN/m |
| Stützabstand 3,0m | 1 kN/m |
| Stützabstand 3,5m | 0,78 kN/m |
| Stützabstand 4,0m | 0,4 kN/m |
| Stützabstand 4,5m | 0,3 kN/m |
| Stützabstand 5,0m | 0,2 kN/m |
| Stützabstand 1,5m | 3,3 kN/m |
Zulässige Kabelrinnen-/-leiterbelastung in kN/m ohne Mannlast
Stützweite in m
Holmdurchbiegung in mm bei zulässig kN/m
Belastungsschema beim Prüfverfahren
Belastungskurve mit Kabelrinne/-leiterbreite in mm
Holmdurchbiegungskurve je nach Stützweite
Downloads
0 ausgewählt
Datenblatt (1)
Kataloge & Broschüren (3)
Erklärungen (5)
Anleitungen & Hilfen (2)
Artikelbilder (3)
3D Daten Downloads (1)
Ausschreibungstexte (2)
Zubehör
Systemzubehör
Montagezubehör
Artikel
Typ
Art.Nr.
Menge
Ausführungen
Typ
Länge
Breite
Funktionserhalt
Holmstärke
Art.Nr.
LCIS 620 6 FT
6000
200
nein
1,5
6209643
LCIS 630 6 FT
6000
300
nein
1,5
6209645
LCIS 640 6 FT
6000
400
nein
1,5
6209647
LCIS 650 6 FT
6000
500
nein
1,5
6209649
LCIS 660 6 FT
6000
600
nein
1,5
6209651
Breite
LCIS 620 6 FT
Art.Nr.
6209643
Länge
6000
Breite
200
Funktionserhalt
nein
Holmstärke
1,5
LCIS 630 6 FT
Art.Nr.
6209645
Länge
6000
Breite
300
Funktionserhalt
nein
Holmstärke
1,5
LCIS 640 6 FT
Art.Nr.
6209647
Länge
6000
Breite
400
Funktionserhalt
nein
Holmstärke
1,5
LCIS 650 6 FT
Art.Nr.
6209649
Länge
6000
Breite
500
Funktionserhalt
nein
Holmstärke
1,5
LCIS 660 6 FT
Art.Nr.
6209651
Länge
6000
Breite
600
Funktionserhalt
nein
Holmstärke
1,5








