Leuchtenträgerrinne FS
Typ LTR 6000 FS
|Art.Nr. 6055812
|EAN 4012196943937





Art.Nr. / Typ
Länge
Breite
Blechstärke
Oberfläche
bandverzinkt
Werkstoff
Stahl
kl. VKE: 6 m
6m
m
Beschreibung
Leuchtenträgerrinne mit gelochtem Boden zur Befestigung von Leuchten und zur Durchführung von Leitungen.
Magnetische Schirmdämpfung ohne Deckel 20 dB, mit Deckel 50 dB.
Magnetische Schirmdämpfung ohne Deckel 20 dB, mit Deckel 50 dB.
Bei der weißen Ausführung handelt es sich um eine Sichtflächenbeschichtung.
Technische Daten
Abmessungen
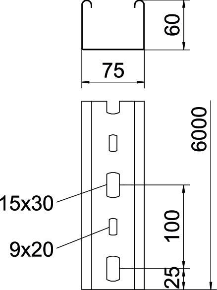
| Länge | 6000 mm |
|---|---|
| Breite | 75 mm |
| Höhe | 60 mm |
Technische Daten
| Seitenlochung | ja |
|---|---|
| Ausführung Verbinder | ohne Verbinder |
| Nutzquerschnitt | 42 cm² |
| Rostfreier Stahl, gebeizt | nein |
| Blechstärke | 0,75 mm |
| Montagelochung im Boden | ja |
| Dimension | 60x75x6000 |
| Oberfläche | bandverzinkt |
| Werkstoff | Stahl |
| Farbe | zink |
| Belastungstesttyp nach IEC 61537 | Typ II |
| Art des Verbinders Kabeltragsystem | geschraubt |
| CO2 Fußabdruck (GWP) Cradle-to-Gate | 2,8026 kg CO2e / 1 Meter |
Belastungen
| Stützabstand 2,0m | 0,55 kN/m |
|---|---|
| Stützabstand 2,5m | 0,35 kN/m |
| Stützabstand 3,0m | 0,25 kN/m |
| Stützabstand 1,5m | 0,8 kN/m |
Zulässige Kabelrinnen-/-leiterbelastung in kN/m ohne Mannlast
Stützweite in m
Holmdurchbiegung in mm bei zulässig kN/m
Belastungsschema beim Prüfverfahren
Belastungskurve mit Kabelrinne/-leiterbreite in mm
Holmdurchbiegungskurve je nach Stützweite
Downloads
0 ausgewählt
Datenblatt (1)
Kataloge & Broschüren (2)
Erklärungen (4)
Anleitungen & Hilfen (2)
Artikelbilder (4)
3D Daten Downloads (1)
Ausschreibungstexte (2)
Zubehör
Systemzubehör
Artikel
Typ
Art.Nr.
Menge
Ausführungen
Typ
Länge
Breite
Blechstärke
Oberfläche
Werkstoff
Art.Nr.
LTR 3000 FS
3000
75
0,75
bandverzinkt
Stahl
6055810
LTR 6000 FS
6000
75
0,75
bandverzinkt
Stahl
6055812
Länge
LTR 3000 FS
Art.Nr.
6055810
Länge
3000
Breite
75
Blechstärke
0,75
Oberfläche
bandverzinkt
Werkstoff
Stahl
LTR 6000 FS
Art.Nr.
6055812
Länge
6000
Breite
75
Blechstärke
0,75
Oberfläche
bandverzinkt
Werkstoff
Stahl



