Kabelleiter LG 60, 3 m VS FS
Typ LG 660 VS 3 FS
|Art.Nr. 6208550
|EAN 4012195064084



Art.Nr. / Typ
Länge
Breite
Funktionserhalt
Holmstärke
Oberfläche
bandverzinkt
Werkstoff
Stahl
kl. VKE: 3 m
3m
m
Beschreibung
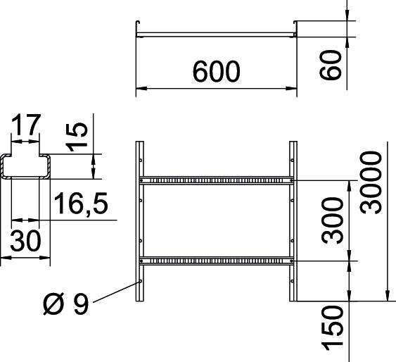
Kabelleiter mit gelochtem Seitenholm in der Seitenhöhe 60 mm mit eingenieteten, nach oben offenen C-Profil-Sprossen (Ausführung VS).
Magnetische Schirmdämpfung ohne Deckel 10 dB, mit Deckel 15 dB.
Andere Breiten sind auf Anfrage erhältlich.
Magnetische Schirmdämpfung ohne Deckel 10 dB, mit Deckel 15 dB.
Andere Breiten sind auf Anfrage erhältlich.
Die Kabelleiter wird in zusammengeklappter Ausführung geliefert.
Kabel können mit der passenden Bügelschelle Typ 2056 montiert werden.
Die Kabelleitern in den Breiten 200 mm bis 400 mm sind auch zulässig für die vertikale Montage als Steigeleiter in Anlagen mit elektrischem Funktionserhalt nach DIN 4102 Teil 12. Kabel können mit der für den Funktionserhalt zugelassenen Bügelschelle Typ 2056 M montiert werden.
Technische Daten
Abmessungen
| Länge | 3000 mm |
|---|---|
| Breite | 600 mm |
| Höhe | 60 mm |
| Maß B | 600 mm |
| Schlitzmaß Sprosse | 16,50 |
Technische Daten
| Funktionserhalt | nein |
|---|---|
| Seitenlochung | ja |
| Weitspann-Ausführung | nein |
| Nutzquerschnitt | 298 cm² |
| Rostfreier Stahl, gebeizt | nein |
| Nutzquerschnitt | 29800 mm² |
| Sprossenabstand | 300 mm |
| Ausführung der Sprossen | Profil gelocht |
| Ausführung des Seitenholms | flaches Profil |
| Befestigung der Sprosse | blindgenietet |
| Abmessung | 60x600x3000 |
| Holmstärke | 1,5 mm |
| Dimension | 60x600x3000 |
| Oberfläche | bandverzinkt |
| Werkstoff | Stahl |
| Farbe | zink |
| CO2 Fußabdruck (GWP) Cradle-to-Gate | 8,6548 kg CO2e / 1 Meter |
Belastungen
| Stützabstand 2,0m | 2,25 kN/m |
|---|---|
| Stützabstand 2,5m | 1,5 kN/m |
| Stützabstand 3,0m | 1,1 kN/m |
| Stützabstand 3,5m | 0,75 kN/m |
| Stützabstand 4,0m | 0,45 kN/m |
| Stützabstand 4,5m | 0,3 kN/m |
| Stützabstand 5,0m | 0,15 kN/m |
| Stützabstand 1,5m | 3,1 kN/m |
Zulässige Kabelrinnen-/-leiterbelastung in kN/m ohne Mannlast
Stützweite in m
Holmdurchbiegung in mm bei zulässig kN/m
Belastungsschema beim Prüfverfahren
Belastungskurve mit Kabelrinne/-leiterbreite in mm
Holmdurchbiegungskurve je nach Stützweite
Downloads
0 ausgewählt
Datenblatt (1)
Kataloge & Broschüren (5)
Erklärungen (5)
Anleitungen & Hilfen (2)
Artikelbilder (2)
3D Daten Downloads (2)
Ausschreibungstexte (2)
Zubehör
Systemzubehör
Montagezubehör
Artikel
Typ
Art.Nr.
Menge
Ausführungen
Typ
Länge
Breite
Funktionserhalt
Holmstärke
Oberfläche
Werkstoff
Art.Nr.
LG 620 VS 3 FS
3000
200
ja
1,5
bandverzinkt
Stahl
6208538
LG 630 VS 3 FS
3000
300
ja
1,5
bandverzinkt
Stahl
6208541
LG 640 VS 3 FS
3000
400
ja
1,5
bandverzinkt
Stahl
6208544
LG 650 VS 3 FS
3000
500
nein
1,5
bandverzinkt
Stahl
6208547
LG 660 VS 3 FS
3000
600
nein
1,5
bandverzinkt
Stahl
6208550
Breite
Funktionserhalt
LG 620 VS 3 FS
Art.Nr.
6208538
Länge
3000
Breite
200
Funktionserhalt
ja
Holmstärke
1,5
Oberfläche
bandverzinkt
Werkstoff
Stahl
LG 630 VS 3 FS
Art.Nr.
6208541
Länge
3000
Breite
300
Funktionserhalt
ja
Holmstärke
1,5
Oberfläche
bandverzinkt
Werkstoff
Stahl
LG 640 VS 3 FS
Art.Nr.
6208544
Länge
3000
Breite
400
Funktionserhalt
ja
Holmstärke
1,5
Oberfläche
bandverzinkt
Werkstoff
Stahl
LG 650 VS 3 FS
Art.Nr.
6208547
Länge
3000
Breite
500
Funktionserhalt
nein
Holmstärke
1,5
Oberfläche
bandverzinkt
Werkstoff
Stahl
LG 660 VS 3 FS
Art.Nr.
6208550
Länge
3000
Breite
600
Funktionserhalt
nein
Holmstärke
1,5
Oberfläche
bandverzinkt
Werkstoff
Stahl





