Kabelleiter LG 60, 6 m VS FS

Typ LG 660 VS 6 FS
|
Art.Nr. 6208639
|
EAN 4012195064312
Art.Nr. / Typ
Länge
Breite
Funktionserhalt
Holmstärke
Oberfläche
bandverzinkt
Werkstoff
Stahl

kl. VKE: 6 m

m

Beschreibung

Kabelleiter mit gelochtem Seitenholm in der Seitenhöhe 60 mm mit eingenieteten, nach oben offenen C-Profil-Sprossen (Ausführung VS).
Magnetische Schirmdämpfung ohne Deckel 10 dB, mit Deckel 15 dB.

Die Kabelleiter wird in zusammengeklappter Ausführung geliefert.

Kabel können mit der passenden Bügelschelle Typ 2056 montiert werden.

Die Kabelleitern in den Breiten 200 mm bis 400 mm sind auch zulässig für die vertikale Montage als Steigeleiter in Anlagen mit elektrischem Funktionserhalt nach DIN 4102 Teil 12. Kabel können mit der für den Funktionserhalt zugelassenen Bügelschelle Typ 2056 M montiert werden.

  • Magnetische Schirmdämpfung
  • Communautés Européennes, EG Konformitätserklärung nach EG-Richtlinien
  • UKCA Konformitätserklärung
  • Umweltproduktdeklaration (EPD)
  • CO₂-Fußabdruck (PCF)

Technische Daten

Abmessungen

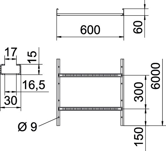
Länge6000 mm
Breite600 mm
Höhe60 mm
Maß B600 mm
Schlitzmaß Sprosse16,50

Technische Daten

Funktionserhaltnein
Seitenlochungja
Weitspann-Ausführungnein
Nutzquerschnitt298 cm²
Rostfreier Stahl, gebeiztnein
Nutzquerschnitt29800 mm²
Sprossenabstand300 mm
Ausführung der SprossenProfil gelocht
Ausführung des Seitenholmsflaches Profil
Befestigung der Sprosseblindgenietet
Abmessung60x600x6000
Holmstärke1,5 mm
Dimension60x600x6000
Oberflächebandverzinkt
WerkstoffStahl
Farbezink
CO2 Fußabdruck (GWP) Cradle-to-Gate8,6386 kg CO2e / 1 Meter

Belastungen

Stützabstand 2,0m2,25 kN/m
Stützabstand 2,5m1,5 kN/m
Stützabstand 3,0m1,1 kN/m
Stützabstand 3,5m0,75 kN/m
Stützabstand 4,0m0,45 kN/m
Stützabstand 4,5m0,3 kN/m
Stützabstand 5,0m0,15 kN/m
Stützabstand 1,5m3,1 kN/m
Belastungsdiagramm Kabelleiter Typ LG 60 VS

Zulässige Kabelrinnen-/-leiterbelastung in kN/m ohne Mannlast

Stützweite in m

Holmdurchbiegung in mm bei zulässig kN/m

Belastungsschema beim Prüfverfahren

Belastungskurve mit Kabelrinne/-leiterbreite in mm

Holmdurchbiegungskurve je nach Stützweite

Downloads

0 ausgewählt

Datenblatt (1)
Kataloge & Broschüren (5)
Erklärungen (5)
Anleitungen & Hilfen (2)
Artikelbilder (2)
3D Daten Downloads (1)
Ausschreibungstexte (2)

Zubehör

Systemzubehör
Montagezubehör
Typ
DRL 600 FS

kl. VKE: 3 m

m

Ausführungen

Breite
Funktionserhalt
LG 620 VS 6 FS
Art.Nr.
6208627
Länge
6000
Breite
200
Funktionserhalt
ja
Holmstärke
1,5
Oberfläche
bandverzinkt
Werkstoff
Stahl
LG 630 VS 6 FS
Art.Nr.
6208630
Länge
6000
Breite
300
Funktionserhalt
ja
Holmstärke
1,5
Oberfläche
bandverzinkt
Werkstoff
Stahl
LG 640 VS 6 FS
Art.Nr.
6208633
Länge
6000
Breite
400
Funktionserhalt
ja
Holmstärke
1,5
Oberfläche
bandverzinkt
Werkstoff
Stahl
LG 650 VS 6 FS
Art.Nr.
6208636
Länge
6000
Breite
500
Funktionserhalt
nein
Holmstärke
1,5
Oberfläche
bandverzinkt
Werkstoff
Stahl
LG 660 VS 6 FS
Art.Nr.
6208639
Länge
6000
Breite
600
Funktionserhalt
nein
Holmstärke
1,5
Oberfläche
bandverzinkt
Werkstoff
Stahl