Industriesäulenprofil, Typ ISS160160IP6
Typ ISS160160IP6 EL
|Art.Nr. 6290406
|EAN 4012196191451




Art.Nr. / Typ
6290406 / ISS160160IP6 EL
Länge
6000 mm
kl. VKE: 1 Stück
1Stück
Stück
Beschreibung
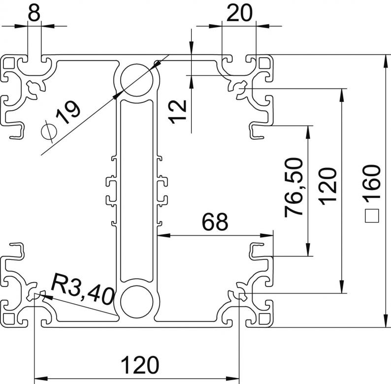
ISS Installationssäule zur Ausstattung von Montagearbeitsplätzen in Produktionsstätten. Das eloxierte Aluminiumprofil in schwerer Ausführung verfügt 2-seitig gegenüberliegend über eine 76,5 mm Systemöffnung zur Aufnahme von frontrastenden Geräteeinbaudosen der Serie 71GD oder Montageträgern der Serie 71MT. Alle 4 Seiten des Profils verfügen über eine Montagenut im Standardmaß Nenngröße 8 zur Montage unterschiedlichster Anbauteile für Zusatzfunktionen (Item-Systembaukasten). Im Lieferumfang enthalten ist das Säulenprofil sowie die erforderlichen Oberteile für die Systemöffnungen in 2000 mm Längen und ein PE-Beutel mit 20 zusätzlichen Rastklammern Typ RKV3V, um Teillängen der Oberteile zu ermöglichen. Zwei geschlossene Kanäle im Inneren des Profiles können optional zur Führung von Druckluft genutzt werden.
Technische Daten
Abmessungen
| Länge | 6000 mm |
|---|---|
| Breite | 160 mm |
| Höhe | 160 mm |
| Säulenhöhe min. | 6000 mm |
Technische Daten
| Anzahl der Züge | 2 St. |
|---|---|
| Halogenfrei | ja |
| Säulenform | quadratisch |
| Verstellbar | nein |
| Anzahl der einsetzbaren Oberteile | 2 |
| Ortsveränderlich | nein |
| Deckenmontage | ja |
| Bodenmontage | ja |
| Kabeleinführung | oben/unten |
| Schutzart | IP30 |
| Vorverdrahtet | nein |
| Schutzgrad IK-Code | IK10 |
| Durchgehendes Profil | ja |
| Ausführung | doppelseitig |
| Befestigungsart | Montageflansch |
| Oberteilbreite | 76,5 mm |
| Temperatureinsatzbereich min. | -25 °C |
| Temperatureinsatzbereich max. | 60 °C |
| Dimension | 6000x160x160 |
| Oberfläche | eloxiert |
| Werkstoff | Aluminium |
| Farbe | aluminium |
Umweltdaten
814,0582 kg CO2e / 1 StückCO2 Fußabdruck (GWP) Cradle-to-Gate
| CO2 Fußabdruck (GWP) Cradle-to-Gate | 814,0582 kg CO2e / 1 Stück |
|---|
Zubehör
Montagezubehör
Systemzubehör
Artikel
Typ
Art.Nr.
Menge
Downloads
0 ausgewählt
Datenblatt (1)
Kataloge & Broschüren (2)
Erklärungen (2)
Zertifikate (1)
Anleitungen & Hilfen (4)
Artikelbilder (3)
3D Daten Downloads (2)
Ausschreibungstexte (2)
Ausführungen
Typ
Länge
Art.Nr.
ISS160160IP6 EL
6000
6290406
ISS160160IP6 EL
Art.Nr.
6290406
Länge
6000



