Bügelschelle 2056 F-Fuß, 1-fach, Kunststoffdruckwanne, FT
Typ BS-F1-K-22 FT
|Art.Nr. 1187614
|EAN 4012196854073



Art.Nr. / Typ
Max. Anzugsdrehmoment
Spannbereich D min.
Spannbereich D max.
kl. VKE: 100 Stück
100Stück
Stück
Beschreibung
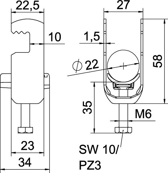
Bügelschelle mit F-Fuß, Kunststoffdruckwanne aus Polypropylen. Zur vertikalen und horizontalen Montage von 1 Einzelkabel an Flacheisen. Mit 1-gängiger Schraube an Druckwanne, universeller Sechskant-Schraubenkopf SW10, mit Schlitz und Kreuzschlitz. Geeignet für Montage im Innen-und Außenbereich. Der Einsatz einer Gegenwanne wird empfohlen.
Technische Daten
Abmessungen
| Länge | 22,5 mm |
|---|---|
| Breite | 27 mm |
| Höhe | 58 mm |
| Maß L | 35 mm |
| Maß A | 22,5 mm |
| Maß B | 27 mm |
| Maß H | 58 mm |
| Maß t | 1,5 mm |
| Maß C | 34 mm |
| Maß G | M6 |
Technische Daten
| Blechstärke | 1,5 mm |
|---|---|
| für Rohrdurchmesser min. | 16 mm |
| für Rohrdurchmesser max. | 22 mm |
| Schlitzweite | 10 mm |
| Halogenfrei | ja |
| Gewinde | M6 |
| Mit Kunststoffwanne | ja |
| Länge Außenmaß | 34 mm |
| Anzahl der Kabel/Rohre | 1 |
| Zusatz Oberfläche | feuerverzinkt |
| Zusatz Werkstoff | Stahl |
| Max. Anzugsdrehmoment | 3 Nm |
| Montageart | flaches Profil |
| Spannbereich D min. | 16 mm |
| Spannbereich D max. | 22 mm |
| Dimension | 16-22mm |
| Oberfläche | tauchfeuerverzinkt |
| Werkstoff | Stahl |
| Mit Gegenwanne | nein |
| Werkstoff der Wanne | Kunststoff |
| Werkstoffgüte der Wanne | Polypropylen |
Umweltdaten
0,0995 kg CO2e / 1 StückCO2 Fußabdruck (GWP) Cradle-to-Gate
| Verpackung vollständig aus recycelter Kartonage | Ja |
|---|---|
| Verpackung ohne Kunststoff | Ja |
| CO2 Fußabdruck (GWP) Cradle-to-Gate | 0,0995 kg CO2e / 1 Stück |
|---|
Downloads
0 ausgewählt
Datenblatt (1)
Kataloge & Broschüren (2)
Erklärungen (3)
Anleitungen & Hilfen (1)
Artikelbilder (2)
Ausschreibungstexte (2)
Ausführungen
Typ
Max. Anzugsdrehmoment
Spannbereich D min.
Spannbereich D max.
Art.Nr.
BS-F1-K-12 FT
3
8
12
1187602
BS-F1-K-16 FT
3
12
16
1187608
BS-F1-K-22 FT
3
16
22
1187614
BS-F1-K-28 FT
3
22
28
1187620
BS-F1-K-34 FT
3
28
34
1187626
BS-F1-K-40 FT
3
34
40
1187632
BS-F1-K-46 FT
5
40
46
1187638
BS-F1-K-52 FT
5
46
52
1187644
BS-F1-K-58 FT
5
52
58
1187650
BS-F1-K-64 FT
5
58
64
1187656
Max. Anzugsdrehmoment
Spannbereich D min.
Spannbereich D max.
BS-F1-K-12 FT
Art.Nr.
1187602
Max. Anzugsdrehmoment
3
Spannbereich D min.
8
Spannbereich D max.
12
BS-F1-K-16 FT
Art.Nr.
1187608
Max. Anzugsdrehmoment
3
Spannbereich D min.
12
Spannbereich D max.
16
BS-F1-K-22 FT
Art.Nr.
1187614
Max. Anzugsdrehmoment
3
Spannbereich D min.
16
Spannbereich D max.
22
BS-F1-K-28 FT
Art.Nr.
1187620
Max. Anzugsdrehmoment
3
Spannbereich D min.
22
Spannbereich D max.
28
BS-F1-K-34 FT
Art.Nr.
1187626
Max. Anzugsdrehmoment
3
Spannbereich D min.
28
Spannbereich D max.
34
BS-F1-K-40 FT
Art.Nr.
1187632
Max. Anzugsdrehmoment
3
Spannbereich D min.
34
Spannbereich D max.
40
BS-F1-K-46 FT
Art.Nr.
1187638
Max. Anzugsdrehmoment
5
Spannbereich D min.
40
Spannbereich D max.
46
BS-F1-K-52 FT
Art.Nr.
1187644
Max. Anzugsdrehmoment
5
Spannbereich D min.
46
Spannbereich D max.
52
BS-F1-K-58 FT
Art.Nr.
1187650
Max. Anzugsdrehmoment
5
Spannbereich D min.
52
Spannbereich D max.
58
BS-F1-K-64 FT
Art.Nr.
1187656
Max. Anzugsdrehmoment
5
Spannbereich D min.
58
Spannbereich D max.
64
